Kontakt

Artikel-Merkmale:

  • Modernes Design - 548 mm breit für den flächenbündigen Einbau
  • Besonders flexibel - 4 Kochzonen inkl. 1 Bräter- und 1 Vario-Zone
  • Sicher - Restwärmeanzeige für jede Kochzone
HerstellerMIELE
Werksnummer06910520
TypennummerKM6017FL.BDG
EAN4002514232232
Preis inkl. gesetzl. MwSt., ggf. zzgl. Versandkosten

Produktanfrage

Haben Sie Fragen zu diesem Produkt?

KM 6017
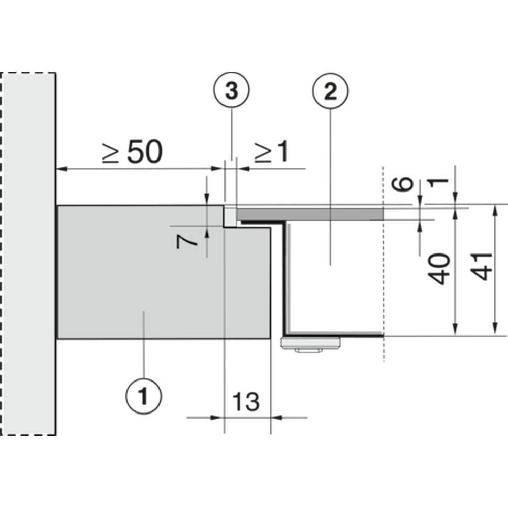
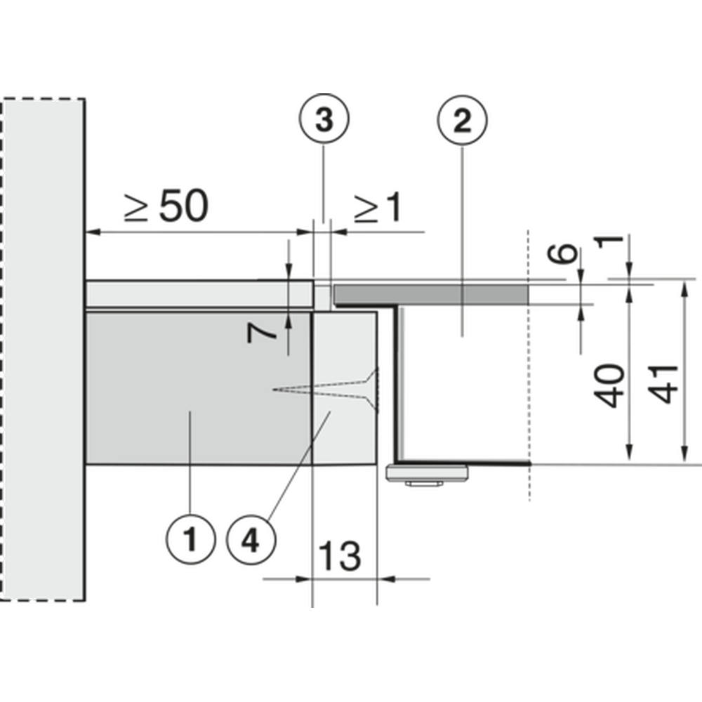
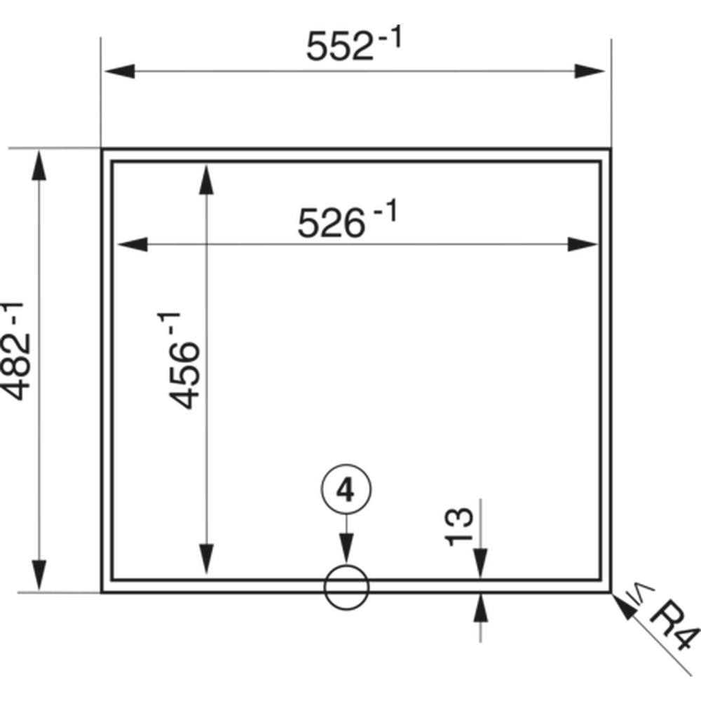
Maßzeichnungen
Maßzeichnungen
Maßzeichnungen
Maßzeichnungen

Weitere Vorteile


Restwärmeanzeige
Restwärmeanzeige

Absolut sicher

Bei Miele Kochfeldern gibt es für jede Kochzone eine Restwärmeanzeige. Sie erinnert daran, nicht auf die noch heiße Kochzone zu fassen oder Hitzeempfindliches dort abzustellen. Andererseits ermöglicht sie Ihnen, restliche Wärme gezielt zu nutzen, um Energie zu sparen.

  • 1. Kochzone / Kochbereich
     
  • Art
    Vario-Kochzone
  • Größe in mm
    Ø 120 / Ø 210
  • Max. Leistung in W
    750/2200
  • Position
    vorne links
  • 2. Kochzone / Kochbereich
     
  • Art
    Einkreis-Kochzone
  • Größe in mm
    Ø 145
  • Max. Leistung in W
    1200
  • Position
    hinten links
  • 3. Kochzone / Kochbereich
     
  • Art
    Koch-/Bräterzone
  • Größe in mm
    Ø 170 / 170x265
  • Max. Leistung in W
    1500/2400
  • Position
    hinten rechts
  • 4. Kochzone / Kochbereich
     
  • Art
    Einkreis-Kochzone
  • Größe in mm
    Ø 145
  • Max. Leistung in W
    1200
  • Position
    vorne rechts
  • Bauform
     
  • Kombiniert mit Herd
    Ja
  • Bedienkomfort
     
  • Anzeigefarbe
    Rot
  • Bedienung über Knebel
    Ja
  • Kochzonenerweiterung
    Ja
  • Beheizungsart
     
  • Beheizungsart
    Elektro
  • Design
     
  • Bedruckungsdesign
    Dekor basaltgrau
  • Elegante Glaskeramikoberfläche
    Ja
  • Farbe der Glaskeramik
    Schwarz
  • Flächenbündiger Einbau
    Ja
  • Effizienz und Nachhaltigkeit
     
  • Restwärmenutzung
    Ja
  • Kochzonenausstattung
     
  • Anzahl der Kochzonen
    4 ST
  • Mitgeliefertes Zubehör
     
  • Anschlusskabel
    Ja
  • Glasschaber
    Ja
  • Pflegekomfort
     
  • Leicht zu reinigende Glaskeramik
    Ja
  • Sicherheit
     
  • Restwärmeanzeige
    Ja
  • Technische Daten
     
  • Abmessungen (H x B x T) in mm
    45 x 548 x 478
  • Abmessungen in mm (Breite)
    548 MM
  • Abmessungen in mm (Höhe)
    45 MM
  • Abmessungen in mm (Tiefe)
    478 MM
  • Ausschnittmaße (B x T) bei aufliegendem Einbau in mm
    x
  • Ausschnittmaße (B x T) bei flächenbündigem Einbau in mm
    526/552 x 456/482
  • Äußeres Ausschnittmaß in mm (Breite) bei flächenbündigem Einbau
    552 MM
  • Äußeres Ausschnittmaß in mm (Tiefe) bei flächenbündigem Einbau
    482 MM
  • Frequenz in Hz
    50-60
  • Frequenz in Hz
    50-60 HZ
  • Gesamtanschlusswert in kW
    7.000-7.600 KW
  • Gewicht in kg
    8 KG
  • Inneres Ausschnittmaß in mm (Breite) bei flächenbündigem Einbau
    526 MM
  • Inneres Ausschnittmaß in mm (Tiefe) bei flächenbündigem Einbau
    456 MM
  • Spannung in V
    230-240 V

Absolut sicher

  • Praktischer Alltagshelfer: Die Restwärmeanzeige erinnert daran, nicht auf die noch heiße Kochzone zu fassen.
Abmessungen der 2. KochzoneØ 145
Art der 2. KochzoneElektro
Lage der 2. Kochzonehinten links
Leistung der 2. Kochzone1200 W
Abmessungen der 3. KochzoneØ 170 / 170x265
Art der 3. KochzoneElektro
Lage der 3. Kochzonehinten rechts
Leistung der 3. Kochzone1500/2400 W
Abmessungen der 4. KochzoneØ 145
Art der 4. KochzoneElektro
Lage der 4. Kochzonevorne rechts
Leistung der 4. Kochzone1200 W
BauformEinbaugerät
BedienungsartKnob
BeheizungsartElektro
Breite548 mm
Farbe / Material GehäuseKeine Farbe
GerätefarbeKeine Farbe
Gewicht7,7 kg
Höhe45 mm
Installationshinweis StarkstromHinweis: Dieses Produkt benötigt für seinen ordnungsgemäßen Betrieb eine Kraftstromquelle und ist nicht mit einem normalen Netzstecker ausgestattet. Die Installation nicht-steckerfertiger Geräte ist vom jeweiligen Netzbetreiber oder von einem eingetragenen Fachbetrieb vorzunehmen, der Ihnen auch bei der Einholung der Zustimmung des jeweiligen Netzbetreibers für die Installation des Gerätes behilflich ist.
MarkennameMiele
Spannung230-240 V
Tiefe478 mm
TypeKM 6017 FL.BDG
Werks-Nr.06910520

Service, den wir Ihnen gerne bieten.

Als Fachhändler endet unsere Leistung nicht mit dem Bezahlen - wir lassen Sie auch beim Onlineeinkauf nicht im Stich. Denn wir montieren und installieren Ihre Großgeräte auf Wunsch und erklären Ihnen dann ausführlich, wie Sie diese jetzt optimal nutzen können. So können Sie an Ihrer Neuanschaffung schon nach kurzer Zeit Freude haben.

Diesen Service bieten wir Ihnen in einem Umkreis von 20 km rund um 33739 Bielefeld. Die Preise für Montagearbeiten berechen sich nach Aufwand - hier erstellen wir Ihnen gern auf Wunsch ein individuelles Angebot.

Für eine Vielzahl von Service- und Montageleistungen bieten wir Ihnen, abhängig vom Gerätetyp, vorkalkulierte Preise, die Sie sich schon bei der Onlinebestellung sichern können. Diese Leistungen finden Sie in unserem Onlineshop direkt am Gerät.

Beratung und Kundenservice rund um Hausgeräte und Elektrogeräte.

Guter Service ist bei electroplus küchenplus Malz eine Selbst­verständlich­keit. Bei uns stehen Sie und Ihre Bedürfnisse im Vorder­grund. Wir nehmen uns die Zeit, um Ihre Fragen zu beantworten und Sie passend zu beraten: wir sind für Sie da, wenn Sie uns brauchen. Vom ersten Beratungs­gespräch bis zur Reparatur – ein Anruf oder eine E-Mail genügen und einer unserer Spezialisten steht Ihnen helfend zur Seite.

Serviceleistungen ansehen
Fachberatung in der Ausstellung

Fachberatung in der Ausstellung

Lieferung und Montage

Lieferung und Montage

Reparaturservice und Kundendienst

Reparaturservice und Kundendienst

Altgeräte-Mitnahme und -Entsorgung

Altgeräte-Mitnahme und -Entsorgung

Die Fachhandels-Empfehlung

H 2458 E ACTIVE
MIELE
H 2458 E ACTIVE
H 2456 E ACTIVE
MIELE
H 2456 E ACTIVE
H 2458 EP ACTIVE
MIELE
H 2458 EP ACTIVE
H 2455 EP ACTIVE
MIELE
H 2455 EP ACTIVE
H 2455 E ACTIVE
MIELE
H 2455 E ACTIVE
H 2455 E ACTIVE
MIELE
H 2455 E ACTIVE
H 2455 E ACTIVE
MIELE
H 2455 E ACTIVE
H 2457 E ACTIVE
MIELE
H 2457 E ACTIVE
H 2457 EP ACTIVE
MIELE
H 2457 EP ACTIVE
H 2457 EP ACTIVE
MIELE
H 2457 EP ACTIVE
H 2455 EP ACTIVE
MIELE
H 2455 EP ACTIVE
H 2457 E ACTIVE
MIELE
H 2457 E ACTIVE

Herstellerkontaktdaten von MIELE

info@miele.de

05241 89-0

Carl-Miele-Straße 29, 33325 Gütersloh, Deutschland

HINWEIS: Die Herstellerkontaktdaten werden regelmäßig geprüft. Änderungen seitens der Hersteller können jedoch zeitverzögert bei uns eingehen.